PELLETOFEN - DICHTUNGEN

passend für 

MCZ

aus biolöslicher Keramikfaser temperaturbeständig bis 1.200°C

Dies sind keine Original Ersatzdichtungen, sondern passen gut für den vorgesehenen Einsatz bzw. für eine Reparatur und sind aus hochwertiger biolöslicher Keramikfaser in Industriequalität die Temperaturen bis 1.200°C standhält hergestellt!

DICHTUNG passend für MCZ 360x174x5mm

entspricht # 41800802601

Pelletofen Wärmetauscher Kopfdichtung für 

RED Club Musa Ego etc.

Preis ab 10 Stk € 7,98 / Stk

Preis ab 50 Stk € 3,99 / Stk

auch bei anderen Pelletöfen können sie die Dichtung verwenden


messen sie die alte Dichtung ab, wenn die Dichtung optisch gleich aussieht

und die Maße übereinstimmen können Sie die Dichtung auf jeden Fall einbauen!

kontaktieren Sie mich wenn Sie etwas spezielles benötigen, in den meisten Fällen kann ich Ihnen helfen!!

Die Dichtung sollte bei jeder Reinigung erneuert werden.

Nr. 15

abgepackt in passgenauen Schachteln zu je 10 Stück

Die Dichtung sollte bei jeder Reinigung erneuert werden.

DICHTUNG passend für MCZ 220x120x4mm

entspricht # 41800900600

zB. MCZ Wgo AIR - RED Musa Air


Pelletofen Revsionsklappe Rauchabzug

Preis per Stk € 12,50    

Preis ab 10 Stk € 5,98 / Stk

Preis ab 50 Stk € 2,99 / Stk

Nr. 16

abgepackt in passgenauen Schachteln zu je 10 Stück

info@marzellin.at - +43 699 11887086

Die Dichtung sollte bei jeder Reinigung erneuert werden.

Nr. 17

abgepackt in passgenauen Schachteln zu je 10 Stück

DICHTUNG passend für MCZ 173x100x4mm

entspricht #418008027

Pelletofen für:

Musa, KamaStar, Ego etc

Preis per Stk € 15,90

Preis ab 10 Stk € 5,78 / Stk

Preis ab 50 Stk € 2,89 / Stk

info@marzellin.at - +43 699 11887086

DICHTUNG passend für MCZ 140x40x5mm

entspricht #41801400900

Revsionsklappe, Rauchabzug für

Preis per Set (2 Stk) € 14,90

Preis ab 20 Stk € 4,38 / Stk

Preis ab 50 Stk € 2,19 / Stk

abgepackt in passgenauen Schachteln zu je 20 Stück

Die Dichtungen sollten bei jeder Reinigung erneuert werden.

Nr. 13

info@marzellin.at - +43 699 11887086

DICHTUNG passend für MCZ 230x130x4mm

entspricht #418008025

Pelletofen Revsionsklappe Rauchabzug für:

MCZ und RED

Preis per Stk € 17,90

Preis ab 10 Stk € 6,58 / Stk

Preis ab 50 Stk € 3,29 / Stk

Die Dichtung sollte bei jeder Reinigung erneuert werden.

abgepackt in passgenauen Schachteln zu je 10 Stück

info@marzellin.at - +43 699 11887086

DICHTUNG passend für MCZ 200x108x4mm

entspricht #41801601300

Pelletofen Rauchabzugklappe für:

MCZ und RED

Preis per Stk € 17,89

Preis ab 10 Stk € 5,38 / Stk

Preis ab 50 Stk € 2,69 / Stk

abgepackt in passgenauen Schachteln zu je 10 Stück

Die Dichtungen sollten bei jeder Reinigung erneuert werden.

info@marzellin.at - +43 699 11887086

abgepackt in passgenauen Schachteln zu je 10 Stück

Die Dichtung sollte bei jeder Reinigung erneuert werden.

DICHTUNG passend für MCZ 250x150x5mm

entspricht #41802000900

Pelletofen vordere Inspektionsklappe für:

MCZ Hera Air 7 S1,Hera Air 7 XUP! S1,May Air 7

Preis per Stk € 16,89

Preis ab10 Stk € 5,69 / Stk

Preis ab 50 Stk € 3,69 / Stk

info@marzellin.at - +43 699 11887086

DICHTUNG passend für MCZ 195x155x5mm

entspricht #41801209600 

Pelletofen Dichtung hinter Aschkasten für:

MCZ und RED

Preis per Stk € 15,80

Preis ab 10 Stk € 7,70 / Stk

Preis ab 50 Stk € 3,85 / Stk

abgepackt in passgenauen Schachteln zu je 10 Stück

Nr. 10

Nr. 10

Die Dichtung sollte bei jeder Reinigung erneuert werden.

info@marzellin.at - +43 699 11887086

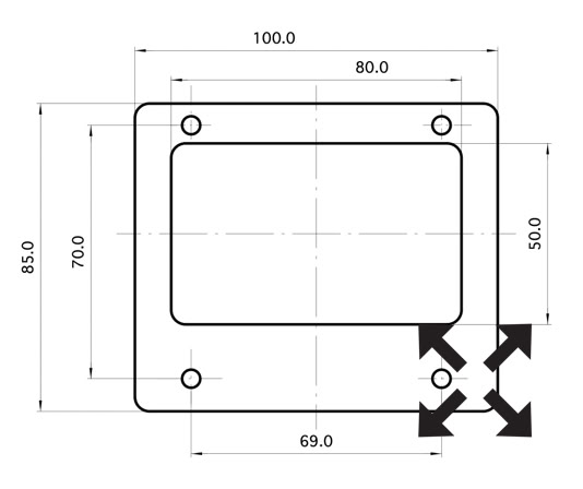
DICHTUNG passend für MCZ 100x85x5mm

entspricht #418008030

Pelletofen Rauchabzugklappe

Preis per Stk € 16,89

Preis ab 10 Stk € 5,10 / Stk

Preis ab 50 Stk € 2,55 / Stk

Nr. 11

abgepackt in passgenauen Schachteln zu je 10 Stück

Die Dichtung sollte bei jeder Reinigung erneuert werden.

info@marzellin.at - +43 699 11887086

DICHTUNG passend für MCZ 362x169x5mm

entspricht #41801501500

Pelletofen Wärmetauscher für:

MCZ:

Stream COMFORT AIR 12 H1


Preis per Stk € 19,90

Preis ab 10 Stk € 8,98 / Stk

Preis ab 50 Stk € 4,49 / Stk

abgepackt in passgenauen Schachteln zu je 10 Stück

Die Dichtung sollte bei jeder Reinigung erneuert werden.

Nr. 8

info@marzellin.at - +43 699 11887086

DICHTUNG passend für MCZ 124x90x4mm

entspricht #418008029

Pelletofen Förderschnecke

Preis per Stk € 16,90

Preis ab 10 Stk € 5,38 / Stk

Preis ab 50 Stk € 2,69 / Stk

Die Dichtung sollte bei jeder Reinigung erneuert werden.

abgepackt in passgenauen Schachteln zu je 10 Stück

info@marzellin.at - +43 699 11887086

Die Dichtung sollte bei jeder Reinigung erneuert werden.

DICHTUNG passend für MCZ 98x40x3mm

entspricht #41801604300

Pelletofen Zündkerzenkanal

Preis per Stk € 16,90

Preis ab 10 Stk € 6,58/ Stk

Preis ab 50 Stk € 3,29/ Stk

abgepackt in passgenauen Schachteln zu je 10 Stück

info@marzellin.at - +43 699 11887086

DICHTUNG passend für MCZ 158x110x5

entspricht #41801702000

Pelletofen Inspektionsklappe

Preis per Stk € 18,90

Preis ab 10 Stk € 6,58/ Stk

Preis ab 50 Stk € 3,29/ Stk

abgepackt in passgenauen Schachteln zu je 10 Stück

Nr. 7

Die Dichtung sollte bei jeder Reinigung erneuert werden.

info@marzellin.at - +43 699 11887086

DICHTUNG passend für MCZ 190x110x4 mm

entspricht #41801603600    

Pelletofen Inspektionsklappe

Preis per Stk € 18,90

Preis ab 10 Stk € 6,58/ Stk

Preis ab 50 Stk € 3,29/ Stk

abgepackt in passgenauen Schachteln zu je 10 Stück

Nr. 9

Die Dichtung sollte bei jeder Reinigung erneuert werden.

info@marzellin.at - +43 699 11887086

DICHTUNG passend für MCZ  CUTE, DEKO THEMA -   421x65x6mm

selbstklebend.  -   entspricht #41801404400    

Preis ab 10 Stk € 11,90/ Stk   -   Preis ab 50 Stk € 6,49/ Stk

Lieferbar prompt ab Lager

Nr. 12

Die Dichtung sollte bei jeder Reinigung erneuert werden.

abgepackt in passgenauen Schachteln zu je 10 Stück

info@marzellin.at - +43 699 11887086

DICHTUNG passend für MCZ 84x53x5 mm

entspricht #41801300500    

Pelletofen Giò u. Maggie

Preis per     Stk € 12,90

Preis ab 10 Stk € 6,90/ Stk

Preis ab 50 Stk € 2,19/ Stk

Lieferbar prompt ab Lager

abgepackt in passgenauen Schachteln zu je 20 Stück

Nr. 14

Die Dichtung sollte bei jeder Reinigung erneuert werden.

info@marzellin.at - +43 699 11887086

DICHTUNG passend für MCZ CORE 124x78x6 mm selbstklebend, mit Ablösehilfe

entspricht # 41802011500   

Pelletofen CORE 

Preis per     Stk € 15,90

Preis ab 10 Stk € 9,90/ Stk

Preis ab 50 Stk € 5,49/ Stk

Lieferbar prompt ab Lager

abgepackt in passgenauen Schachteln zu je 10 Stück

Die Dichtung sollte bei jeder Reinigung erneuert werden.

info@marzellin.at - +43 699 11887086

DICHTUNG passend für MCZ CORE 

Ø 100 x 4 mm einseitig Aluminium beschichtet

entspricht # 41802011500   

Pelletofen CORE 

Preis per     Stk € 15,90

Preis ab 10 Stk € 9,90/ Stk

Preis ab 50 Stk € 5,49/ Stk

Lieferbar prompt ab Lager

abgepackt in passgenauen Schachteln zu je 10 Stück

Die Dichtung sollte bei jeder Reinigung erneuert werden.

info@marzellin.at - +43 699 11887086

DICHTUNG passend für MCZ

Ø 166 x 4 mm 

entspricht # 41801102500  

 

Preis ab 10 Stk € 5,99/ Stk

Preis ab 50 Stk € 3,90/ Stk

Lieferbar prompt ab Lager

abgepackt in passgenauen Schachteln zu je 10 Stück

Die Dichtung sollte bei jeder Reinigung erneuert werden.

info@marzellin.at - +43 699 11887086

DICHTUNG passend für MCZ

115,5x85,5x5 mm

entspricht # 41801401400


Preis ab 50 Stk € 3,29/ Stk

Lieferbar prompt ab Lager

abgepackt in passgenauen Schachteln zu je 10 Stück

abgepackt in passgenauen Schachteln zu je 10 Stück

Nr. 22

DICHTUNG  passend für MCZ

230x230x5 mm

entspricht  #41801401600


€ 3,90/ pz

Lieferbar prompt ab Lager

Nr. 23

DICHTUNG  passend für MCZ

Ø 166x4 mm

entspricht  #41801102500


€ 4,20/ Stk

Lieferbar prompt ab Lager

abgepackt in passgenauen Schachteln zu je 10 Stück

Nr. 24

abgepackt in passgenauen Schachteln zu je 10 Stück

DICHTUNG  passend für MCZ

Ø 130x6 mm selbstklebend

entspricht  #41801002600


€ 4,20 / Stk

Lieferbar prompt ab Lager

Nr. 25

DICHTUNG  passend für MCZ

Ø 168x3 mm selbstklebend + Al beschichtet

entspricht # 41801600800


€ 5,99/ Stk

Lieferbar prompt ab Lager

abgepackt in passgenauen Schachteln zu je 10 Stück

Nr. 26   

DICHTUNG  passend für MCZ

Ø 210 mm selbstklebend entspricht # 41801600800


€ 5,99/ Stk

Lieferbar prompt ab Lager

abgepackt in passgenauen Schachteln zu je 10 Stück

DICHTUNG  passend für MCZ

120x98x3 mm

entspricht # 41801802400    


Preis ab 50 Stk

€ 4,29 / Stk

Lieferbar prompt ab Lager

abgepackt in passgenauen Schachteln zu je 10 Stück

DICHTUNG  passend für MCZ

Dichtung Strukturklappe

130x80x3 mm

entspricht  

# 41802002400    


Preis ab 50 Stk

€ 2,89 / Stk

Lieferbar prompt ab Lager

abgepackt in passgenauen Schachteln zu je 10 Stück

DICHTUNG passend für MCZ

100x100x5 mm

entspricht # 41801902300


Preis ab 50 Stk € 3,29/ Stk

Lieferbar prompt ab Lager

abgepackt in passgenauen Schachteln zu je 10 Stück

Keramikfaser Ofen und Rohrdichtungen MARZELLIN - Franz-Hörtenhuber-Straße 8 - Austria

+43 699 11887086 - info@marzellin.at

Irrtümer und Druckfehler vorbehalten - Preise verstehen sich ohne Mehrwertsteuer und Versand

Kontakt | Imressum | Datenschutz | AGB | Partner und Referenzen